Product Summary
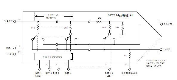
The HS3140B-4 is a precision 14-bit multiplying DAC, that provides four-quadrant multiplication. Both parts accept both AC and DC reference voltages. The HS3140B-4 is available for use in commercial and industrial temperature ranges, packaged in a 20-pin SOIC. The HS3140B-4 is available in commercial and military temperature ranges, packaged in a 20-pinside-brazed DIP.
Parametrics
HS3140B-4 absolute maximum ratings: (1)Operating Temperature: -55 to 125℃; (2)Storage Temperature: -65 to 150℃.
Features
HS3140B-4 features: (1)Monolithic Construction; (2)14–Bit Resolution; (3)0.003% Non-Linearity; (4)Four-Quadrant Multiplication; (5)Latch-up Protected; (6)Low Power - 30mW; (7)Single +15V Power Supply.
Diagrams

![]() |
![]() HS31 |
![]() Cirrus Logic |
![]() Heat Sinks Heatsink Open Frame |
![]() Data Sheet |
![]() Negotiable |
|
||||
![]() |
![]() HS3160 |
![]() Other |
![]() |
![]() Data Sheet |
![]() Negotiable |
|
||||
![]() |
![]() HS3140 |
![]() Other |
![]() |
![]() Data Sheet |
![]() Negotiable |
|
||||
![]() |
![]() HS3120 |
![]() Other |
![]() |
![]() Data Sheet |
![]() Negotiable |
|
||||
(China (Mainland))








