Product Summary
The 6MBP30RTB060-12 is an IGBT Module. The applications of the 6MBP30RTB060-12 include Inverter for motor drive, AC and DC servo drive amplifier, UPS (Uninterruptible power supply).
Parametrics
6MBP30RTB060-12 absolute maximum ratings: (1)DC bus voltage: 450 V; (2)DC bus voltage (Surge): 500 V; (3)DC bus voltage (Short operating): 400 V; (4)Collector-Emitter voltage: 600 V; (5)Collector power dissipation One transistor: 85 W; (6)Junction temperature: 150℃; (7)Input voltage of power supply for pre-driver: -0.3 to 20 V; (8)Input signal voltage: Vz; (9)Input singal current: 1 mA; (10)Alarm signal voltage: VCC; (11)Alarm signal current: 15 mA; (12)Storage temperature: -40 to 125℃; (13)Operating case temperature: -20 to 100℃.
Features
6MBP30RTB060-12 features: (1)Low power loss and soft switching; (2)High performance and high reliability IGBT with overheating protection; (3)Higher reliability because of a big decrease in number of parts in built-in control circuit.
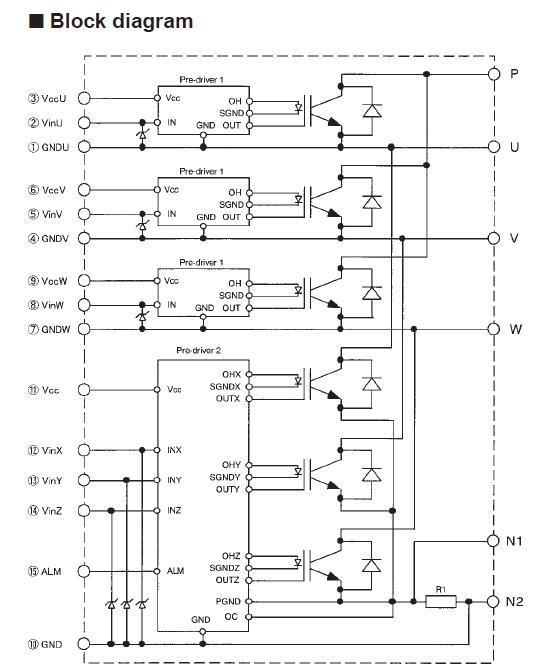
Diagrams

![]() |
![]() 6MBP 150RA-060 |
![]() Other |
![]() |
![]() Data Sheet |
![]() Negotiable |
|
||||
![]() |
![]() 6MBP 15RH-060 |
![]() Other |
![]() |
![]() Data Sheet |
![]() Negotiable |
|
||||
![]() |
![]() 6MBP 75RA-120 |
![]() Other |
![]() |
![]() Data Sheet |
![]() Negotiable |
|
||||
![]() |
![]() 6MBP100RTA-060 |
![]() Other |
![]() |
![]() Data Sheet |
![]() Negotiable |
|
||||
![]() |
![]() 6MBP100RTB060 |
![]() Other |
![]() |
![]() Data Sheet |
![]() Negotiable |
|
||||
![]() |
![]() 6MBP150RA120 |
![]() Other |
![]() |
![]() Data Sheet |
![]() Negotiable |
|
||||
(China (Mainland))








