Product Summary
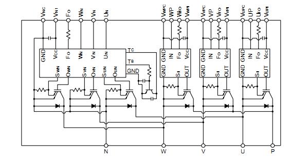
The PM50RVA120-2 is a Mitsubishi Intelligent Power Module. It is a isolated base module designed for power switching applications operating at frequencies to 20kHz. Built-in control circuits provide optimum gate drive and protection for the IGBT and free-wheel diode power devices. The applications of the PM50RVA120-2 include u Inverters, UPS, Motion/Servo Control and Power Supplies.
Parametrics
PM50RVA120-2 absolute maximum ratings: (1)Power Device Junction Temperature, Tj: -20 to 150℃; (2)Storage Temperature, Tstg: -40 to 125℃; (3)Case Operating Temperature, TC: -20 to 100℃; (4)Mounting Torque, M4 Mounting Screws: 0.98 to 1.47 Nm; (5)Module Weight (Typical): 60 Grams; (6)Supply Voltage Protected by OC and SC (VD = 13.5 - 16.5V, Inverter Part) VCC(prot.): 400 Volts; (7)Isolation Voltage (Main Terminal to Baseplate, AC 1 min.), Viso: 2500 Vrms.
Features
PM50RVA120-2 features: (1); (2)Gate Drive Circuit; (3)Protection Logic Short Circuit Over Current Over Temperature Under Voltage.
Diagrams

![]() |
![]() PM500 |
![]() Other |
![]() |
![]() Data Sheet |
![]() Negotiable |
|
||||||||||||
![]() |
![]() PM50100K |
![]() Other |
![]() |
![]() Data Sheet |
![]() Negotiable |
|
||||||||||||
![]() |
![]() PM50150 |
![]() Other |
![]() |
![]() Data Sheet |
![]() Negotiable |
|
||||||||||||
![]() |
![]() PM5022-100M |
![]() Bourns |
![]() Power Inductors 10uH 20% |
![]() Data Sheet |
![]() Negotiable |
|
||||||||||||
![]() |
![]() PM5022-100M-RC |
![]() J.W. Miller |
![]() Power Inductors 10uH 20% |
![]() Data Sheet |
![]()
|
|
||||||||||||
![]() |
![]() PM5022-101K-RC |
![]() Bourns |
![]() Power Inductors Pwr Inductor, Non-Shielded |
![]() Data Sheet |
![]() Negotiable |
|
||||||||||||
(China (Mainland))









