Product Summary
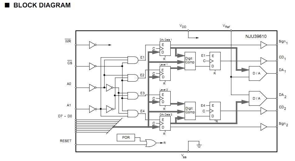
The NJU39610D2 is a dual 7-bit+sign, Digital-to-Analog Converter (DAC) especially developed to be used together with the NJM3771, Precision Stepper Motor driver in micro-stepping applications. The NJU39610D2 has a set of input registers connected to an 8-bit data port for easy interfacing directly to a microprocessor. The NJU39610D2 is well suited for high-speed micro-stepping application.
Parametrics
NJU39610D2 absolute maximum ratings: (1)supply voltage, VDD: 6V max; (2)logic inputs voltage, Vi: -0.3 to VDD+0.3V; (3)reference input, VR: -0.3 to VDD+0.3V; (4)logic inputs current, Ii: -0.4 to 0.4mA; (5)storage temperature, Tstg: -55 to 150℃; (6)operating ambient temperature, Topr: -20 to 85℃.
Features
NJU39610D2 features: (1)Analog control voltages from 3 V down to 0.0 V; (2)High-speed microprocessor interface; (3)Automatic fast/slow current decay control; (4)Full-scale error ±1 LSB; (5)Fast conversion speed 3 μs; (6)Matches NJM3771; (7)Packages DIP22/PLCC28.
Diagrams

| Image | Part No | Mfg | Description | ![]() |
Pricing (USD) |
Quantity | ||||||||
|---|---|---|---|---|---|---|---|---|---|---|---|---|---|---|
![]() |
![]() NJU39610D2 |
![]() NJR |
![]() Motor / Motion / Ignition Controllers & Drivers Microstepping |
![]() Data Sheet |
![]()
|
|
||||||||
![]() NJU39610D2# |
![]() NJR |
![]() IC STEPPER MOTOR DUAL/DAC 22-DIP |
![]() Data Sheet |
![]()
|
|
|||||||||
(China (Mainland))









