Product Summary
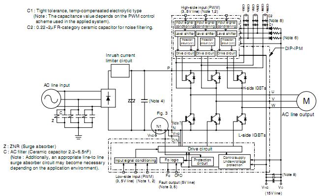
The PS21563-P is a 10A low-loss 5th generation inverter bridge for three phase DC-to-AC power conversion. The application of it is AC100V to 200V inverter drive for small power motor control.
Parametrics
PS21563-P absolute maximum ratings: (1)Supply voltage:450V; (2)Supply voltage (surge):500V; (3)Collector-emitter voltage:600V; (4)Each IGBT collector current:10A; (5)Each IGBT collector current (peak):20A; (6)Collector dissipation:20W; (7)Junction temperature:-20℃ to +125℃.
Features
PS21563-P features: (1)For upper-leg IGBTS :Drive circuit, High voltage isolated high speed level shifting, Control supply under-voltage (UV) protection; (2)For lower-leg IGBTS : Drive circuit, Control supply under-voltage protection (UV), Short circuit protection (SC); (3)Fault signaling : Corresponding to an SC fault (Lower-leg IGBT) or a UV fault (Lower-side supply); (4)Input interface : 3, 5V line CMOS/TTL compatible. (High Active); (5)UL Approved : Yellow Card No. E80276.
Diagrams

| Image | Part No | Mfg | Description | ![]() |
Pricing (USD) |
Quantity | ||||
|---|---|---|---|---|---|---|---|---|---|---|
![]() |
![]() PS21563-P |
![]() |
![]() MOD IPM 600V 10A MINI DIP |
![]() Data Sheet |
![]() Negotiable |
|
||||
| Image | Part No | Mfg | Description | ![]() |
Pricing (USD) |
Quantity | ||||
![]() |
![]() PS21204 |
![]() Other |
![]() |
![]() Data Sheet |
![]() Negotiable |
|
||||
![]() |
![]() PS21205 |
![]() Other |
![]() |
![]() Data Sheet |
![]() Negotiable |
|
||||
![]() |
![]() PS21212 |
![]() Other |
![]() |
![]() Data Sheet |
![]() Negotiable |
|
||||
![]() |
![]() PS21244-E |
![]() Other |
![]() |
![]() Data Sheet |
![]() Negotiable |
|
||||
![]() |
![]() PS21244-EP |
![]() |
![]() MOD IPM 600V 15A DIP |
![]() Data Sheet |
![]() Negotiable |
|
||||
![]() |
![]() PS21245-E |
![]() Other |
![]() |
![]() Data Sheet |
![]() Negotiable |
|
||||
(China (Mainland))









