Product Summary
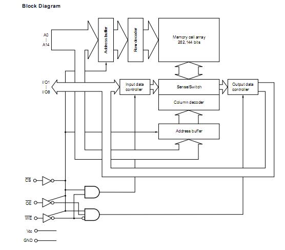
The UPD43256BCZ-70LL is a high speed low power and 144 bits (32,768 words by 8 bits) CMOS static RAM. Battery backup is available (L, LL, A, and B versions). And A and B versions are wide voltage operations. The UPD43256BCZ-70LL is packed in 28-pin plastic DIP, 28-pin plastic SOP and 28-pin plastic TSOP (I).
Parametrics
UPD43256BCZ-70LL absolute maximum ratings: (1)Supply voltage:VCC –0.5 to +7.0 V; (2)Input/Output voltage:VT –0.5 to VCC + 0.5 V; (3)Operating ambient temperature TA:0 to 70 ℃; (4)Storage temperature Tstg:–55 to +125 ℃.
Features
UPD43256BCZ-70LL features: (1)32,768 words by 8 bits organization; (2)Fast access time: 70, 85, 100, 120, 150 ns (MAX.); (3)Wide voltage range (A version: VCC = 3.0 to 5.5 V, B version: VCC = 2.7 to 5.5 V); (4)2 V data retention; (5)OE input for easy application.
Diagrams

![]() |
![]() UPD42S16800L |
![]() Other |
![]() |
![]() Data Sheet |
![]() Negotiable |
|
||||
![]() |
![]() UPD431000A-X |
![]() Other |
![]() |
![]() Data Sheet |
![]() Negotiable |
|
||||
![]() |
![]() UPD4364CX-10 |
![]() Other |
![]() |
![]() Data Sheet |
![]() Negotiable |
|
||||
![]() |
![]() UPD441000L-X |
![]() Other |
![]() |
![]() Data Sheet |
![]() Negotiable |
|
||||
![]() |
![]() UPD4416001 |
![]() Other |
![]() |
![]() Data Sheet |
![]() Negotiable |
|
||||
![]() |
![]() UPD4416004 |
![]() Other |
![]() |
![]() Data Sheet |
![]() Negotiable |
|
||||
(China (Mainland))








